Подушка рессоры 214-2902430А2 Т-150/КРАЗ
Описание
Окончательную цену уточняйте у менеджера-консультанта Читать далее- Цена
650 ₽
- 0 отзывов
- Описание
- Отзывы (0)
- Добавить отзыв
Описание
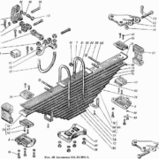
Применяемость:Т-150К, КрАЗ-250,КрАЗ-255,КрАЗ-256,КрАЗ-260,КрАЗ-6322,КрАЗ-6322 (шасси),КрАЗ-63221,КрАЗ-6443,КрАЗ-64431-02КрАЗ-6446,КрАЗ-65053-02,КрАЗ-65055,КрАЗ-65055-02,КрАЗ-6510.
На рисунке позиция №87 (Подвеска 151.31.001-1 ХТЗ Т-150К) — 4шт.
Отзывы (0)
- Отзывов нет.
Адрес:
Почта:
Тел: 


Будьте первым кто оставит отзыв о “Подушка рессоры 214-2902430А2 Т-150/КРАЗ”