Стойка Д-243,Д-245,Д-260 оси коромысел средняя третья ММЗ 240-1007152-Б-01
- Цена
580 ₽
- 0 отзывов
- Описание
- Отзывы (0)
- Добавить отзыв
Описание
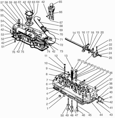
ТРЕТЬЯ СТОЙКА ОТ ВОДЯНОГО НАСОСА ,ТОЛСТАЯ.
На рисунке позиция №15.
Применяемость: ДВС д243,245,260 и а/м ЗИЛ.
Отзывы (0)
- Отзывов нет.
Похожие товары
Опора ЗИЛ-5301,ПАЗ,МТЗ картера двигателя ММЗ 50-1002040-В (Д243/Д245)
Двигатель 1025 1790 ₽ +7 (4872) 33-03-10
Манжета CR 100X125X12 HMSA10 RG SKF
Подогреватель двигателя с циркуляционным насосом Северс+Премиум 2,0 кВт (с бамперным разъемом)
Моноциклон МТЗ-1025,1221,А-01 А53.21.000-02/А53.21.001-02 Радиоволна
Двигатель 320 ₽ +7 (4872) 33-03-10
Адрес:
Почта:
Тел: 


Будьте первым кто оставит отзыв о “Стойка Д-243,Д-245,Д-260 оси коромысел средняя третья ММЗ 240-1007152-Б-01”